提供针对不同行业的专业解决方案,产品广泛应用于平安城市、建筑工地、森林防火、油田矿区、水利监控(江河湖海)、轨道交通、应急布控、海上组网等各种固定及移动点之间通信系统,在无人机、无人车、无人船、机器人的系统均有广泛的应用。
作者:通宝TB222 来源:深圳市通宝TB222电子有限公司 时间:2021 -04-28

(图源网络,侵删)
引言
随着改革开放深入与经济持续发展,社会治安形势日趋严峻,外来人口急剧增多也给治安管理带来新挑战。为防范暴力犯罪、保障人民生命财产安全、维护社会安定繁荣,需在人口密集及事件多发地段建立数字监控系统,实现对异常情况的实时取证、复核与及时处理。该系统作为公安局对重点部位及治安复杂场所实施动态监视的“千里眼”,能为指挥人员提供直观信息与实时动态,在维护社会安定、打击犯罪中发挥重要作用。
一、设计目的
1. 实现道路监控点摄像机画面实时传输至监控中心。
2. 保障图像传输稳定,后端监控中心可实时控制图像画面转动。
3. 后端指挥平台支持随时调取前端摄像机录像。
4. 方案兼顾可实施性与经济性,适配项目实际需求。
二、现场方案规划
(一)点位分布与传输逻辑

• 项目覆盖两条1KM长主干道,每200米设置1个监控点位,共10个点位(1-10号),其中4号点为监控中心,9号点为数据汇集点。
• 传输架构:1-3号点采用1对3方式传输至4号监控中心;5号点采用1对1方式直接传输至4号点;6-8号点采用1对3方式传输至9号汇集点;10号点采用1对1方式传输至9号点;9号点通过交换机整合数据后,以1对1方式传输至4号监控中心。
(二)设备部署与供电设计
1. 设备连接:每个点位配置2台200W高清摄像机,通过网线连接至交换机,再接入无线传输设备,实现数据无线传输至监控中心,保障带宽充足,避免数据传输拥堵。
2. 供电方式:优先采用市电供电以控制项目成本;不便拉电的点位,采用风光互补供电模式,确保设备24小时不间断运行。
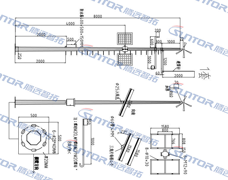
3. 立杆要求:中继点采用10米太阳能立杆,顶部预留3根L型支架用于固定无线传输设备;太阳能瓦数及蓄电池容量根据点位设备总功耗配置。立杆配套防水箱规格为400x500×150MM,螺栓采用M20规格(每颗配3个螺母),相关部件尺寸与安装标准按示意图执行。
如下图所示:

下图为中继点10米太阳能立杆示意图:(仅供立塔参考)

三、有线与无线传输对比
比较项目 | 有线传输 | 无线传输 |
布线 | 布线繁琐,需大量人力物力 | 完全无需布线 |
扩展性 | 较弱,新增用户需重新布线,施工周期长 | 较强,仅需新增微波发射机、接收机及前端设备 |
衰减 | 电缆易衰减,更换或新布线难度大、成本高 | 无衰减,设备老化仅需更换对应部件,无需全套替换 |
施工难度 | 高,需挖坑铺管、穿线排,受停电、积水等不明因素影响 | 低,规避多种不确定因素,施工速度快、质量高 |
移动性 | 极低,移动设备需重新铺设电缆,费事费力 | 极高,前端设备可在指定范围内灵活移动 |
成本 | 安装成本高,设备成本低,后期维护成本高 | 安装成本低廉,维护成本低,综合性价比高 |
四、产品选型:ST5813H-M系列电信级数字无线传输设备
(一)系统概述
ST5813H系列为室外电信级无线传输设备,采用天线与射频模块一体化设计,安装维护便捷、调试简单,具备室外防水防尘特性。内置15DBI双极化定向天线,空中速率理论可达300Mbps,支持点对点和点对多点传输,点对点最远传输距离可达5千米,实测吞吐量100Mbps。设备工作于5G频段(4900-6100MHz),自带频率扫描工具,可避开同频干扰,适配小区改造、建筑工地、油田、道路监控、跨河跨海、矿区、隧道等复杂且不便架设线缆的场景。

(二)系统特色
1. 多语言支持:涵盖中文、英文、西班牙文、葡萄牙文、匈牙利文等操作界面。
2. 环境适配功能:支持环境勘测、天线校准、频谱分析,信道与功率可手动或自动调节。
3. 网络兼容性:支持IPv4/IPv6协议,音视频与数据流优先控制,支持生成树协议与VLAN ID划分。
4. 安装与防护:一体化设计安装快捷,防水等级IP65,支持DC12-24V宽电压POE供电。
5. 灵活管控:支持软件限流,可手动设定上下行传输速率;发射功率最高27dBm,支持软件调节。
(三)核心技术规格参数
类别 | 具体参数 |
标准与调制 | 支持IEEE 802.a/n标准,采用OFDM调制技术 |
传输性能 | 传输速率300Mbps,接收灵敏度(802.11a 6Mbps)-95dBm、(801.n MCS7)-73dBm |
硬件配置 | 内存64M Byte,闪存8M Byte,配备2个10/100M以太网接口 |
安全防护 | 加密方式含WEP、TKIP、AES等,支持WPA/WPA2-PSK、802.1x认证;双向MAC地址绑定,WEB账号密码保护 |
环境适应性 | 工作温度-30℃~+70℃,存储温度-40℃~80℃,工作湿度10%~90%(非凝露);浪涌防护共模6KV/差模2KV,静电防护接触8KV/空气16KV |
物理与供电 | 尺寸246mm106mm60mm,净重370g;功耗≤8W,支持DC12-24V供电及DC24V POE供电 |
管理与维护 | 支持WEB、Telnet、SSH管理,硬件/软件复位;支持远程固件升级、syslog日志记录,断网自动重连 |
(四)应用场景
广泛适用于森林防火、隧道通信、建设工地、大型水库、油田、港口码头等各行业无线监控场景,是复杂无线环境的首选设备。